Elektroměrový rozvaděč DCK ER212/NKP7P + pilíř

Stavební elektroměrový rozvaděč DCK ER212/NKP7P s pilířem pro dvoutarifní 3-fázové měření. Použitelný pro distribuční soustavu ČEZ a E.ON.

OBJEDNAT Volejte +420 702 090 443

6.299 AKCE

Stavební sezóna 2021

Elektroměrový rozvaděč s pilířem

Nejpouživanější samostatně stojící dvoutarifní elektroměrový rozvaděč pro přímé měření spotřeby elektrické energie.

Pilíř pro horní elektroměrovou skříň s vyznačením čáry pro snadné určení výšky nad konečným terénem.

distributoři

Distribuční sítě

Elektroměr je určen pro distribuční soustavu ČEZ a E.ON.

rodinné domy

Určen pro

Rodinné domy, chalupy a průmyslové výrobní objekty.

venkovní použití

Venkovní použití

Materiál TERMOSET IK10 s vysokou odolností proti povětrnostním vlivům.

třífázové měření

Třífázové měření

Elektroměrový rozvaděč pro jeden dvoutarifní třífázový elektroměr pro měření do 40A.

DCK ER212/NKP7P

DCK ER212/NKP7P

Horní elektroměrová skříň připravena na osazení elektroměru distributorem.

  • rozměry 470x640x250 mm
  • rozměry s pilířem 1815x470x220 mm
  • uzavíraní dveří čtyřhranem 6x6 mm
  • možnost plného otevření dvířek
  • osvedčení přiloženo výrobcem

Hlavní jistič

Hlavní jistič není součástí rozvaděče, obsahuje pouze jistič HDO.

  • průřez vodičů přívodu i vývodu 16 mm2
  • jmenovitý proud 40 A
  • jmenovité napětí 230/400 V
  • zkratová odolnost 10 kA
DCK-ER212-detail

Montáž kompaktního pilíře video

Jak správně usadit kompaktní pilíř Vám přiblíží toto montážní video pro elektroměrové rozvaděče výrobce DCK.

 

 

 

4.419 Kč

Elektroměrový rozvaděč DCK ER212/NVP7P

  • Elektroměrový rozvaděč má 1x dvoutarifní 3-fázové měření. Materiálové provedení je celoplastové z termosetu. Je určen pro montáž do výklenku nebo na pilířový podstavec. Je použitelný pro distribuční soustavu ČEZ a E.ON.

6.299 kč

Elektroměrový rozvaděč DCK ER212/NVP7P + pilíř

  • Samostatně stojící elektroměrový rozvaděč má 1x dvoutarifní 3-fázové měření. Materiálové provedení je celoplastové z termosetu na pilířovém podstavci. Je použitelný pro distribuční soustavu ČEZ a E.ON.

699 kč

Ohebná dvouplášťová korugovaná chránička

  • Balení 50 m délky ohebné dvouplášťové korugované chráničky pro vysokou mechanickou ochranu všech druhů energetických a telekomunikačních vedení. Nabízíme různé velikosti s vnitřními průměry trubky 40, 50, 63 mm

CYKY kabely

Pevné vodiče CYKY kabely

  • Kabely CYKY jsou určené pro pevné uložení ve vnitřních a venkovních prostorách, v zemi s použitím chráničky, ve zdi, v betonu. Kabely odolné proti UV záření a proti šíření plamene dle ČSN EN 60332-1-2.

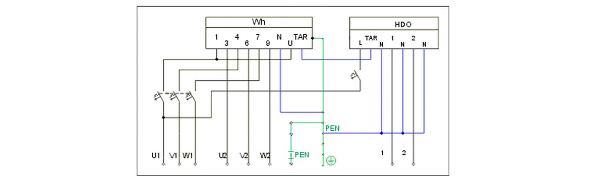
Schéma zapojení

schéma zapojení